BLR-14A型電阻應變式拉壓力高精度傳感器、變送器
- 產品分類:稱重測力傳感器
- 全國咨詢熱線:
- 13907318074
分享到:
概述
BLR-14A 型電阻應變式拉壓力高精度傳感器采用剪切結構彈性體,具有精度高、穩定性能好、抗偏載能力強等特點,適應于料斗秤、配料秤和吊鉤秤等配套使用,廣泛用于國防、科研工業系統中作力的分析及自動化控制。
主要技術指
非線性誤差 ≤±0.05℅F.S
滯后誤差 ≤±0.05℅F.S
重復性誤差 ≤±0.025℅F.S
輸出靈敏度 1.5~2.5mV/V
溫度零點影響 0.005℅F.S/℃
輸出阻抗及橋壓 350Ω/10VDC
絕緣電阻 ≥2000ΜΩ
蠕變(30min) ±0.05%F.S
過載能力 120℅F.S
工作環境溫度 -10℃~+55℃
系列規格 0.1~1 1.5~7 10~30(t) 1~10 15~70 100~300(KN)
變送器輸出 0~5VDC 0~10VDC 1~5VDC 0~10mA 0~20mA 4~20mA
BLR-14A 型電阻應變式拉壓力高精度傳感器采用剪切結構彈性體,具有精度高、穩定性能好、抗偏載能力強等特點,適應于料斗秤、配料秤和吊鉤秤等配套使用,廣泛用于國防、科研工業系統中作力的分析及自動化控制。
主要技術指
非線性誤差 ≤±0.05℅F.S
滯后誤差 ≤±0.05℅F.S
重復性誤差 ≤±0.025℅F.S
輸出靈敏度 1.5~2.5mV/V
溫度零點影響 0.005℅F.S/℃
輸出阻抗及橋壓 350Ω/10VDC
絕緣電阻 ≥2000ΜΩ
蠕變(30min) ±0.05%F.S
過載能力 120℅F.S
工作環境溫度 -10℃~+55℃
系列規格 0.1~1 1.5~7 10~30(t) 1~10 15~70 100~300(KN)
變送器輸出 0~5VDC 0~10VDC 1~5VDC 0~10mA 0~20mA 4~20mA
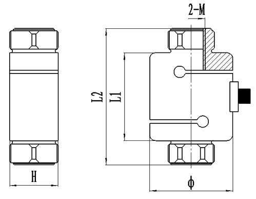
| 測量范圍 | 外形尺寸(mm) | 連接螺紋(mm) | ||||
| t | KN | L1 | L2 | H | Φ | M |
| 0.1~1 | 1~10 | 62 | 88 | 24 | 58 | M16×1.5 |
| 1.5~7 | 15~70 | 76 | 112 | 42 | 72 | M24×1.5 |
| 10~30 | 100~300 | 110 | 160 | 62 | 88 | M36×3 |




